SC 900 brak zasilania cewek i wtrysku |
Autor |
Wiadomość |
Creek_Zmc
nówka sztuka ;)
Wiek: 30 Dołączył: 11 Sty 2025 Posty: 7 Skąd: Zamość
|
Wysłany: 11-01-2025, 18:53 SC 900 brak zasilania cewek i wtrysku
Bolid: Seicento 900 |
|
|
Witam
Silnik Seicento 900 nie odpala
Wyjąłem silnik z Seicento (czekał jakieś 4 lata) włożyłem do buggy i teraz nie mogę odpalić, brak zasilania na cewki i wtrysk, od razu rzuca się immo, kupiłem komputer bez immo (przed włożeniem do samochodu oczywiście centralkę i całe immo wyrzuciłem) i dalej nic, mam włożone tylko część instalacji bez tych bezpieczników z kokpity samochodu, resztę instalacji sprawdziłem i jest ok, zasilanie i masa na ECU ok.
Teraz pytanie co jest niezbędne (zasilanie czujniki) żeby ECU podało zasilanie na cewki i wtrysk.
Czekam na jakieś podpowiedzi i sugestie.
Pozdrawiam |
|
|
|
 |
jedrzejmodelski
nówka sztuka ;)
Pomógł: 2 razy Dołączył: 24 Lip 2019 Posty: 47 Skąd: kujawsko-pomorskie
|
Wysłany: 18-01-2025, 09:47
Bolid: Fiat CC |
|
|
A czemu nie włożysz tych bezpieczników na próbę ?
ECU bez immo sprawne ? |
|
|
|
 |
Creek_Zmc
nówka sztuka ;)
Wiek: 30 Dołączył: 11 Sty 2025 Posty: 7 Skąd: Zamość
|
Wysłany: 18-01-2025, 10:52
Bolid: Seicento 900 |
|
|
Mam instalacje tylko z ECU, w buggy reszta mi na razie nie potrzebna, sytuacja teraz jest taka że mam zasilanie na cewki i wtrysk tylko z ECU nie wychodzi minus, kable wszystkie wychodzące z ECU do czujników posprawdzałem na przejście i jest ok, wg schematów mam masę na 17 i 34, a zasilanie na 4, 26, 35, 23.
I teraz nie mogę się też połączyć z programem diagnostycznym. |
|
|
|
 |
jedrzejmodelski
nówka sztuka ;)
Pomógł: 2 razy Dołączył: 24 Lip 2019 Posty: 47 Skąd: kujawsko-pomorskie
|
Wysłany: 19-01-2025, 16:22
Bolid: Fiat CC |
|
|
ECU bez IMMO to starsza wersja jak w Cinquecento. Mogę przesłać skan schematu.
Czy podawałeś zasilanie na 4, 26, 35, 23. ? Jeżeli tak to mogłeś go uszkodzić.
Mam schemat od CC czyli wersja bez Immo:
26 puste
23 oraz 4 to wyjście sterujące na przekaźnik
35 to zasilanie ECU
Podawanie zasilania na wyjścia 23 i 4 do sterowania przekaźnikami to zły pomysł. |
|
|
|
 |
Creek_Zmc
nówka sztuka ;)
Wiek: 30 Dołączył: 11 Sty 2025 Posty: 7 Skąd: Zamość
|
Wysłany: 20-01-2025, 06:44
Bolid: Seicento 900 |
|
|
Żeby dalej nie błądzić zamówiłem ECU z CC o numerze IAW 16F.EO, powinien pasować do mojego silnika, wcześniej miałem IAW 16FM.EC.
Teraz druga sprawa posiada ktoś schemat tego ECU od CC. |
|
|
|
 |
jedrzejmodelski
nówka sztuka ;)
Pomógł: 2 razy Dołączył: 24 Lip 2019 Posty: 47 Skąd: kujawsko-pomorskie
|
Wysłany: 21-01-2025, 06:48
Bolid: Fiat CC |
|
|
Creek_Zmc napisał/a: | Teraz druga sprawa posiada ktoś schemat tego ECU od CC. |
Posiadam, dzisiaj prześlę skan. |
|
|
|
 |
jedrzejmodelski
nówka sztuka ;)
Pomógł: 2 razy Dołączył: 24 Lip 2019 Posty: 47 Skąd: kujawsko-pomorskie
|
Wysłany: 21-01-2025, 17:04
Bolid: Fiat CC |
|
|
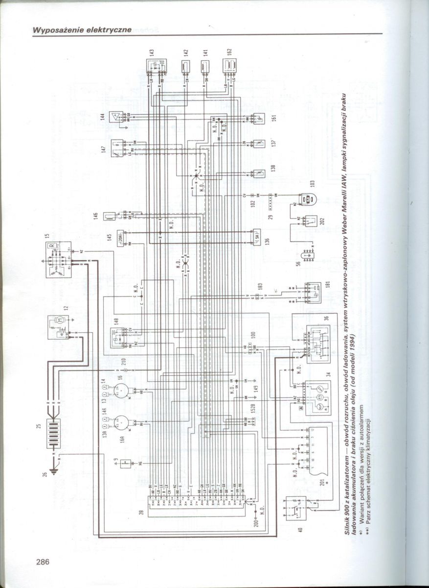
Przesłałem dwie wersje schematu, do 1993r i od 1994r, nie przyglądałem się dokładnie czym się różnią.
 |
|
|
|
 |
jedrzejmodelski
nówka sztuka ;)
Pomógł: 2 razy Dołączył: 24 Lip 2019 Posty: 47 Skąd: kujawsko-pomorskie
|
Wysłany: 21-01-2025, 17:07
Bolid: Fiat CC |
|
|
Mogę przesłać jeszcze wersje PDF, trochę lepsza jakość po powiększeniu. |
|
|
|
 |
Creek_Zmc
nówka sztuka ;)
Wiek: 30 Dołączył: 11 Sty 2025 Posty: 7 Skąd: Zamość
|
Wysłany: 21-01-2025, 19:12
Bolid: Seicento 900 |
|
|
Po zmianie ECU teraz wtrysk pracuje ale nie mam dalej sterowania cewkami, z błędów jest centralka CODE niezaprogramowana, to wynika z tego że ten CC miał immo? |
|
|
|
 |
jedrzejmodelski
nówka sztuka ;)
Pomógł: 2 razy Dołączył: 24 Lip 2019 Posty: 47 Skąd: kujawsko-pomorskie
|
Wysłany: 21-01-2025, 20:36
Bolid: Fiat CC |
|
|
Nie potwierdzę na 100%, bo z przekładaniem wiązek i ECU zajmowałem się na nowszych modelach MPI 1.1/1.2 tam zawsze było Immo.
900tkę ma w oryginalnym stanie i tam nic nie grzebałem.
Większość CC900 nie miała immo, zwykły kluczyk jak w 126p,CC700,UNO, ale są bogatsze/eksportowe SX,Soleil,Suite kierownice z poduszką powietrzną, stacyjki i kluczyki jak w nowszych fiatach i mają immo.
Sprawdź tabliczki na ECU jeżeli czytelne może tam będzie jakaś informacja o immo, ewentualnie po końcówce oznaczeń można dojść.
Inna sprawa to czujnik położenia wału, jeżeli tam jest jakiś problem to również nie będzie sygnału na cewki. |
|
|
|
 |
Creek_Zmc
nówka sztuka ;)
Wiek: 30 Dołączył: 11 Sty 2025 Posty: 7 Skąd: Zamość
|
Wysłany: 22-01-2025, 06:47
Bolid: Seicento 900 |
|
|
Ja oryginalnie miałem immo, wyjąłem ten sterownik i antenkę z instalacji, to wystarczy, czy trzeba jeszcze coś zrobić? |
|
|
|
 |
jedrzejmodelski
nówka sztuka ;)
Pomógł: 2 razy Dołączył: 24 Lip 2019 Posty: 47 Skąd: kujawsko-pomorskie
|
Wysłany: 22-01-2025, 07:04
Bolid: Fiat CC |
|
|
Najprostszym sposobem na uruchomienie ECU z immo jest podłączenie IMMOBOXA z ECU tak jak było fabrycznie w instalacji. Następnie do IMMOBOXA podłączyć pętle stacyjki i do niej przykleić kluczyk taśmą . Ja tak testowałem i zawszę działało.
IMMOBOX podłączony według schematu z ECU oraz jakieś zasilanie do niego.
ECU, IMMOBOX, oraz kluczyk muszą pochodzić z tego samego auta.
Jeżeli masz wszystko wyciągnięte z jednego auta i nie uszkodziłeś ECU przy podłączaniu to musi działać. |
|
|
|
 |
Creek_Zmc
nówka sztuka ;)
Wiek: 30 Dołączył: 11 Sty 2025 Posty: 7 Skąd: Zamość
|
Wysłany: 22-01-2025, 07:59
Bolid: Seicento 900 |
|
|
Ja nie chcę mieć teraz immo, i dlatego kupiłem sterownik od CC żeby odpalić silnik |
|
|
|
 |
jedrzejmodelski
nówka sztuka ;)
Pomógł: 2 razy Dołączył: 24 Lip 2019 Posty: 47 Skąd: kujawsko-pomorskie
|
Wysłany: 22-01-2025, 15:51
Bolid: Fiat CC |
|
|
Próbuj z tym co masz, może problem jest w czymś innym.
Jeżeli się nie uda możesz jeszcze sprawdzić sterownik od UNO 900.
Jak znajdziesz UNO na szrocie to sprzedadzą pewnie za 10-20zł, lub dadzą za darmo jak weźmiesz coś jeszcze wartościowszego.
UNO 900 to była najbiedniejsza możliwa wersja pewnie bez immo. |
|
|
|
 |
Creek_Zmc
nówka sztuka ;)
Wiek: 30 Dołączył: 11 Sty 2025 Posty: 7 Skąd: Zamość
|
Wysłany: 23-01-2025, 12:44
Bolid: Seicento 900 |
|
|
Temat załatwiony, najważniejsze jest zasilanie i masa do ECU, i wystarczy tylko CPW żeby odpalić silnik.
Dziękuję za pomoc i poświęcony czas.
Pozdrawiam |
|
|
|
 |
|